Vapor Off Take

Vapor Off Take

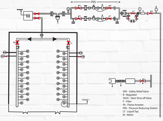
The ‘N’ No of cylinders are connected to the mainfold & the vaporized LPG is directly down from the cylinders with Natural Vaporization Process. This vaporized LPG is passed through the properly designed 1st Stage & 2nd Stage Pressure Reducing Station. This LPG VOT facility is normally recommended for Low utility consumption per hour of LPG
Advantages of VOT Systems:
  • Requires Less Area
  • No residual loss
  • Easy availability
  • Very convenient to handle 47.5 Kg Cylinders
  • Constant Pressure
  • Cheaper than bulk installation

What KRB Offers

  • Total System Design
  • Supply, installation and commissioning of the entire system.
  • inspection & maintenance of the facility
  • Assured continuous supply of LPG to the reticulated system through tie up with Oil Companies
  • After sales service and support
  • Hands on training to the residents
  • 24-hour Emergency Service
  • Continues supply of gas at the turn of tap
  • Increased safety in kitchen as LPG enters the Flat / House at a very low pressure. Enhance safety, as cylinder is not stored inside the flat
  • No cylinder handling in houses/ flats hence saving valuable space in kitchen
  • Easy and effortless operation with increased convenience
  • Payment as per actual consumption of gas recorded in gas meters
  • Elements cylinder refill booking by individual consumers
  • No need to have an additional cylinder in the house thus enhances safety

Safety

  • The system is designed to supply LPG through multiple pressure regulation stages, in order to reach the user at a safe low pressure.
  • The system is equipped with UPSO/OPSO valve to minimize the chance of LPG leakage.
  • In the reticulated system, unlike the conventional system where a high-pressure cylinder is located in the kitchen posing a potential threat to human life and property, this risk is completely eliminated.

Safety Standard

System is designed to meet Indian safety standards applicable as below:

  • IS:6044 (Part 1) – applicable to multi-cylinder installation
  • IS:6044 (Part 2) – Commercial, Industrial and bulk storage installation