Liquid Off Take

Liquid Off Take

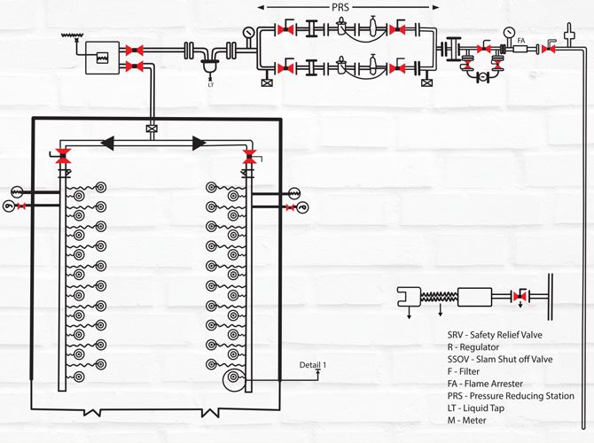
LPG LOT System is advance concept in Multi-cylinder Installation which offers Strength of Bulk LPG Installation and easy functionality. LPG LOT System Can cater to volumes up to 250 Kg per hour Installation which overcomes lots of problems and demerits of bulk LPG Installation & conventional Manifold (VOT) system. LPG LOT System withdraws Liquid LPG up to 10 Kg/Hr. LOT Systems that are known for their compact design and safe usage. The systems offered comprise connecting hoses, NRVs, valves, piping system, LPG vaporizer with all safety fittings, pressure regulating stations, filters and gauges. The offer indigenously manufactured vaporizers with electrically heated water bath design and world class dry type vaporizer. These can ideally be operated on single phase power without the need of any water inlet / outlet connections. we also offer to our clients metering systems, gas leak detection systems, remote operated control valves and other instruments. LOT system withdraws liquid LPG using LOT valves & is converted into vapor using a vaporizer. LPG off take per cylinder can go up to 10kg/hr which is comparatively much more than the normal Vapor off take cylinder of 0.6 kg/hr. The system offers the efficiency of Bulk installation and easy functionality of cylinder manifold system. LOT systems are compact, safe & highly cost effective as liquid is completely drawn from the cylinder and there is no residual loss.

Advantages of LOT Systems:

  • Requires Less Area
  • Constant Pressure
  • Very convenient to handle 47.5 Kg Cylinders
  • No residual loss
  • Easy availability
  • Cheaper than Bulk installations

What KRB Offers

  • Total System Design
  • Supply, installation and commissioning of the entire system.
  • inspection & maintenance of the facility
  • Assured continuous supply of LPG to the reticulated system through tie up with Oil Companies
  • After sales service and support
  • Hands on training to the residents
  • 24-hour Emergency Service
  • Continues supply of gas at the turn of tap
  • Increased safety in kitchen as LPG enters the Flat / House at a very low pressure. Enhance safety, as cylinder is not stored inside the flat
  • No cylinder handling in houses/ flats hence saving valuable space in kitchen
  • Easy and effortless operation with increased convenience
  • Payment as per actual consumption of gas recorded in gas meters
  • Elements cylinder refill booking by individual consumers
  • No need to have an additional cylinder in the house thus enhances safety

Safety

  • The system is designed to supply LPG through multiple pressure regulation stages, in order to reach the user at a safe low pressure.
  • The system is equipped with UPSO/OPSO valve to minimize the chance of LPG leakage.
  • In the reticulated system, unlike the conventional system where a high-pressure cylinder is located in the kitchen posing a potential threat to human life and property, this risk is completely eliminated.

Safety Standard

System is designed to meet Indian safety standards applicable as below:

  • IS:6044 (Part 1) – applicable to multi-cylinder installation
  • IS:6044 (Part 2) – Commercial, Industrial and bulk storage installation